
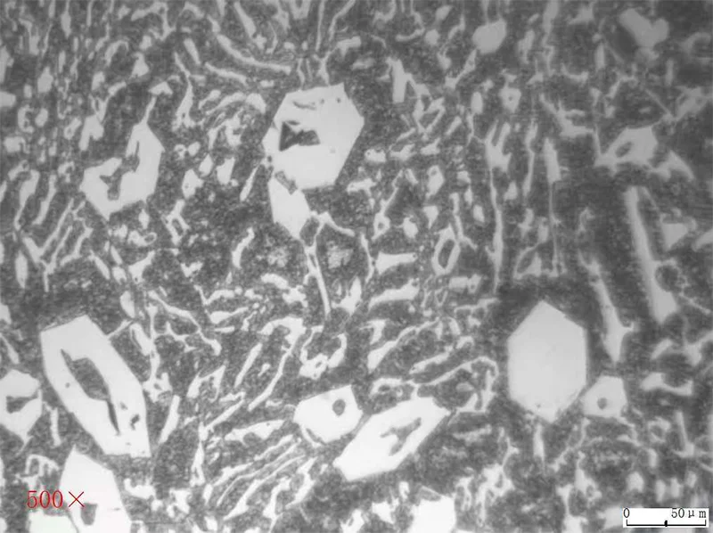
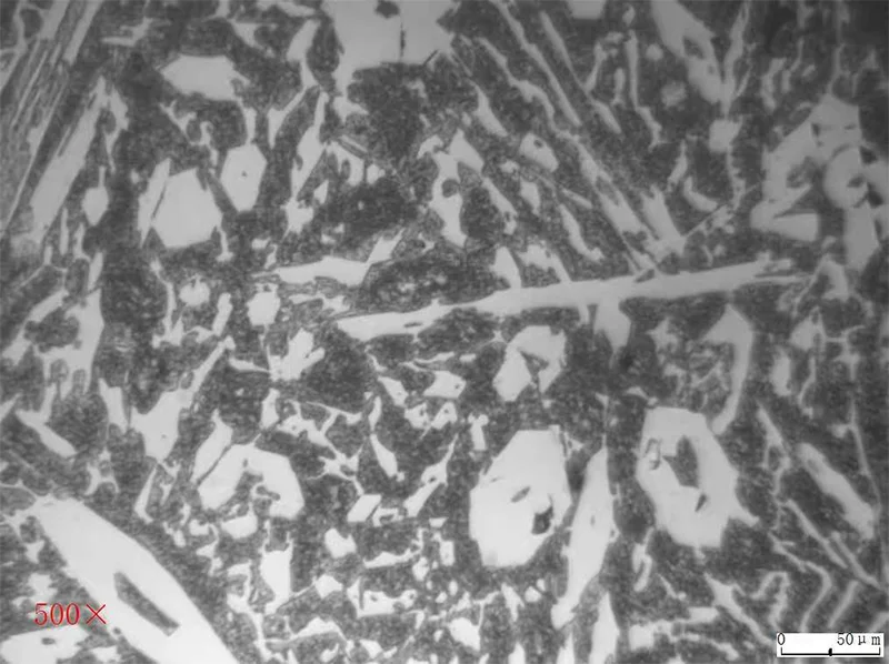
Nodular Cast Iron
Nodular Casr Iron is a type of cast iron produced by melting pig iron (95% carbon content) with ball-bearing ore and coke under high temperatures (over 650°C). The resulting material is known for its high strength, durability, and resistance to wear, making it ideal for use in demanding industrial environments.
Nodular Casr Iron is a critical component in various mechanical applications, particularly in industries such as metallurgy, mining, steel production, and machinery manufacturing. These castings are designed to handle extreme conditions, including high temperatures, heavy loads, and repeated impacts. They play a vital role in protecting equipment from wear, tear, and thermal stress while ensuring optimal performance.
Key Characteristics of Nodular Casr Iron
- High Strength and Durability:Nodular Casr Iron is renowned for their ability to withstand significant mechanical stresses without cracking or breaking. Their unique microstructure allows them to distribute forces evenly, preventing weak points that could lead to failure.
- Excellent Wear Resistance:Due to their composition and microstructural features, Nodular Casr Iron exhibit exceptional resistance to wear. This makes them ideal for applications where parts are frequently impacted or subjected to abrasive conditions.
- Thermal Stability:Nodular Casr Iron maintain their structural integrity even under extreme temperatures, making them suitable for use in furnaces, ovens, and other high-temperature environments.
- Versatility:These castings are used across a wide range of industries, including metallurgy, mining, steel production, machinery manufacturing, and more.



Advantages of SAIKUANG Nodular Casr Iron
- High Load Capacity:
Nodular Casr Iron can handle significant weights without degrading, making them ideal for heavy-duty applications. - Resistance to Impact:
Their structure allows them to absorb shock and vibration effectively, reducing the likelihood of equipment failure due to impacts. - Longevity:
Due to their durability and wear resistance, Nodular Casr Iron often have a longer lifespan compared to other materials used in similar applications. - Cost-Effectiveness:
While initially expensive, the long-term savings from reduced maintenance and replacement costs make these castings economically viable for many industrial applications.
Comparison of domestic and foreign grades of Nodular Casr Iron
| Number | Country | Cast iron grades | |||||
| 1 | China | QT400-18 | QT450-10 | QT500-7 | QT600-3 | QT700-2 | QT800-2 |
| 2 | Japan | FCD400 | FCD450 | FCD500 | FCD600 | FCD007 | FCD800 |
| 3 | United States | 60-40-18 | 65-45-12 | 70-50-05 | 80-60-03 | 100-70-03 | 120-90-02 |
| 4 | Former Soviet Union | BЧ 40 | BЧ 45 | BЧ 50 | BЧ 60 | BЧ 70 | BЧ 80 |
| 5 | Germany | GGG40 | / | GGG50 | GGG60 | GGG70 | GGG80 |
| 6 | Italy | GS370-17 | GS400-12 | GS500-7 | GS600-2 | GS700-2 | GS800-2 |
| 7 | France | FGS370-17 | FGS400-12 | FGS500-7 | FGS600-2 | FGS700-2 | FGS800-2 |
| 8 | England | 400/17 | 420/12 | 500/7 | 600/7 | 700/2 | 800/2 |
| 9 | Poland | ZS3817 | ZS4012 | ZS4505/ 5002 | ZS6002 | ZS7002 | ZS8002 |
| 10 | India | SG370/17 | SG400/12 | SG500/7 | SG600/3 | SG700/2 | SG800/2 |
If you are looking for durable, efficient, and cost-effective crusher liners, look no further. Our expertise in ball-iron castings ensures you get a product that maximizes your grinding mill’s uptime and productivity.You can CONTACT US for a pattern list . OR quote us the correct model numbers with the materials you require.